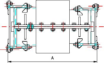
DUOFIT MULTISIZE муфти широкого діапазону із фігурним корпусом мод. D30-01R/17R.
Опис:
- Duofit “multisize”, муфти широкого діапазону, фігурна версія, незалежні фланці.
- Допуск = 24 мм (труби з макс. зовнішн. діам. – Труби з мін.
- Довжина пропорційна рукавам (або муфті), для гарної герметизації.
- Корпус та притискні кільця сталеві Fe 360 B
- Тороїдальні прокладки з усіченим конусом та поперечним перерізом, підходять для контакту з питною водою та газом (NBR)
- М16×615 оцинковані болти, як альтернатива клас А2 – AISI 304 болти з нержавіючої сталі.
- Антикорозійне покриття: Rilsan Nylon 11 Т NOIR 7450 AC
Застосування:
- Для ремонту на муфтових, стикових, розтрубних з’єднаннях (без їх демонтажу) на чавунних, цементних, азбестових та азбестоцементних трубопроводах.
- Для ремонту на ВРП чи ПВХ сполучній муфті трубопроводу.
- Ремонт на з’єднаннях типу “Gibault”.
| Модель | Зовнішній діаметр труби | |
| Макс. | мін. | |
| D30-01R | 55 | 31 |
| D30-02R | 69 | 45 |
| D30-03R | 76 | 52 |
| D30-04R | 87 | 63 |
| D30-05R | 108 | 84 |
| D30-06R | 117 | 93 |
| D30-07R | 130 | 106 |
| D30-08R | 147 | 123 |
| D30-09R | 159 | 135 |
| D30-10R | 168 | 144 |
| D30-11R | 182 | 158 |
| D30-12R | 202 | 158 |
| D30-13R | 216 | 192 |
| D30 14R | 228 | 204 |
| D30 15R | 238 | 214 |
| D30 260 | 260 | 236 |
| D30 16R D30-17R | 276 288 | 252 264 |
| Допустимість (макс. – хв. зовніш.діаметр = 24мм) | ||
Дві частини Duofit “multisize” ремонтних хомутів дозволяють ремонтувати трубопроводи з будь-яких матеріалів без їх відключення.
Крім продукту Duofit D30, зі стандартним діапазоном, виготовлення продукту на замовлення також є.
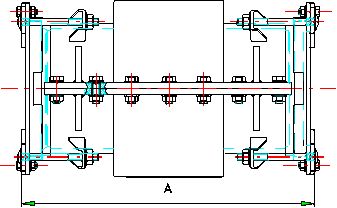
DUOFIT MULTISIZE муфти широкого діапазону із сталевим, фігурним корпусом мод.
Опис:
- Duofit “multisize”, муфти широкого діапазону, фігурна версія із незалежними фланцями.
- Діапазон = 24 мм (труби з макс. зовнішн. діам. – труби з мін. зовнішн. діам.)
- Довжина пропорційна рукавам (або муфті), для гарної герметизації.
- Корпус та притискні кільця сталеві Fe 360 B
- Тороїдальні прокладки з усіченим конусом та поперечним перерізом підходять для контакту з питною водою та газом (NBR)
- М16×170 оцинковані болти, як альтернатива клас А2 – AISI 304 болти з нержавіючої сталі.
- Антикорозійне покриття: Rilsan Nylon 11 Т NOIR 7450 AC
Застосування:
- Для ремонту на муфтових, стикових, розтрубних з’єднаннях (без їх демонтажу) на чавунних, цементних, азбестових та азбестоцементних трубопроводах.
- На ПВХ сполучній муфті трубопроводу.
- Ремонт на з’єднаннях типу “Gibault”.
Дві частини Duofit “multisize” ремонтних хомутів дозволяють ремонтувати трубопроводи з будь-яких матеріалів без їх відключення зовнішнім діаметром до 3500 мм та вище.
DUOFIT MULTISIZE муфти широкого діапазону зі сталевим, фігурним корпусом, ступінчаста мод. D40
Опис:
- Duofit “multisize”, муфти широкого діапазону, фігурна версія із незалежними фланцями.
- Діапазон = 24 мм (труби з макс. зовнішн. діам. – труби з мін. зовнішн. діам.)
- Довжина пропорційна рукавам (або муфті), для гарної герметизації.
- Корпус та притискні кільця сталеві Fe 360 B
- Тороїдальні прокладки з усіченим конусом та поперечним перерізом підходять для контакту з питною водою та газом (NBR)
- М16×170 оцинковані болти, як альтернатива клас А2 – AISI 304 болти з нержавіючої сталі.
- Антикорозійне покриття: Rilsan Nylon 11 Т NOIR 7450 AC
Застосування:
- Для ремонту на муфтових, стикових, розтрубних з’єднаннях (без їх демонтажу) на чавунних, цементних, азбестових та азбестоцементних трубопроводах.
- На ПВХ сполучній муфті трубопроводу.
- Ремонт на з’єднаннях типу “Gibault”.
Дві частини Duofit “multisize” ремонтних хомутів дозволяють ремонтувати трубопроводи з будь-яких матеріалів з різницею більше ніж 20 мм між зовнішніми діаметрами, використовуючи діапазон 24 мм різниці для кожної сторони з’єднання діаметром до 3500 мм і вище.
За запитом муфти можуть розроблятися з будь-яким діапазоном відповідно до конкретної конструкції або вимоги до встановлення.







